Verdict - Optimisé pour les conférences et les tâches bureautiques de base
Le choix du Qualcomm Snapdragon dépend de vos besoins. L'EliteBook 6 G1q 14 est optimisé pour Co-Pilot+, la connectivité 5G WAN et HP Go, les fonctions de webcam améliorées par l'IA et d'excellentes performances du processeur pour le prix lors de l'exécution d'applications natives ARM. Cependant, pour les applications plus spécialisées ou nécessitant beaucoup de GPU, la compatibilité n'est pas garantie et les performances peuvent être plus lentes que prévu grâce à l'émulation.
Le matériel entourant le processeur est par ailleurs excellent, surtout pour un EliteBook de base. La durée de vie de la batterie et le bruit du ventilateur en particulier sont généralement plus longs et plus silencieux, respectivement, que la plupart des solutions d'Intel ou d'AMD. Nous vous recommandons de choisir vos options d'affichage avec soin car il y a des différences significatives entre les configurations avec ou sans Sure View ou si vous choisissez 2560 x 1600 au lieu de 1920 x 1200.
Points positifs
Points négatifs
Prix et disponibilité
Amazon livre actuellement le HP EliteBook 6 G1q 14 tel que configuré dans cette revue pour $1345 USD. Les utilisateurs peuvent également le personnaliser et l'acheter directement auprès de HP à partir de 1161 USD.
La série EliteBook 6 remplace directement l'ancienne série EliteBook 600 pour devenir la gamme économique par excellence pour les entreprises et les bureaux. La série est disponible en versions Intel, AMD et Qualcomm, appelées respectivement G1i, G1a et G1q.
Notre EliteBook 6 G1q 14 de test est une configuration Qualcomm intermédiaire avec le processeur Snapdragon X Plus X1P-42-100, un écran IPS 1200p et 32 Go de RAM soudée pour environ 1345 USD. Les autres modèles sont équipés du Snapdragon X X1-26-100, plus lent, ou du Snapdragon X Elite X1E-78-100, plus rapide, avec des résolutions d'affichage supplémentaires allant jusqu'à 1600p.
Les concurrents de l'EliteBook 6 comprennent d'autres ordinateurs portables professionnels comme le Lenovo ThinkPad E14 Gen 7dell Pro 14 Plus, ou Asus ExpertBook B5.
Plus d'avis sur HP :
Top 10
» Le Top 10 des PC portables multimédia
» Le Top 10 des PC portables de jeu
» Le Top 10 des PC portables de jeu légers
» Le Top 10 des ordinateurs portables bureautiques
» Le Top 10 des PC portables bureautiques premium/professionnels
» Le Top 10 des Stations de travail mobiles
» Le Top 10 des Ultraportables
» Le Top 10 des Ultrabooks
» Le Top 10 des Convertibles
» Le Top 10 des Tablettes
» Le Top 10 des Tablettes Windows
» Le Top 10 des Smartphones
» Le Top 10 des PC Portables á moins de 300 euros
» Le Top 10 des PC Portables á moins de 500 euros
» Le Top 25 des meilleurs écrans d'ordinateurs
Spécifications
Cas
Le design et la qualité du châssis restent solides même si l'EliteBook 6 est essentiellement l'un des modèles les moins chers de la famille. Le clavier, le capot inférieur et le capot extérieur sont en aluminium et non en plastique, ce qui donne l'impression d'avoir affaire à un EliteBook digne de ce nom et non à un modèle moins cher ( Pavilion). Les charnières sont également assez tendues jusqu'à 180 degrés.
Connectivité
Le nombre de ports intégrés est impressionnant pour ce modèle EliteBook d'entrée de gamme. HDMI, RJ-45, et plusieurs ports USB-A sont tous présents, alors que le modèle beaucoup plus cher, le EliteBook Ultra G1q beaucoup plus onéreux, ne dispose pas de ces éléments de base.
Gardez à l'esprit que le modèle Qualcomm de l'EliteBook 6 n'a pas d'options de carte à puce.
Communication
| Networking | |
| iperf3 transmit AXE11000 | |
| Asus ExpertBook B5 B5404CMA | |
| HP ProBook 445 G10 | |
| Dell Pro 14 Plus PB14255 GH77W | |
| HP EliteBook 8 G1a 14 AD3E9ET | |
| HP EliteBook 6 G1q 14 | |
| iperf3 receive AXE11000 | |
| HP ProBook 445 G10 | |
| Asus ExpertBook B5 B5404CMA | |
| HP EliteBook 8 G1a 14 AD3E9ET | |
| Dell Pro 14 Plus PB14255 GH77W | |
| HP EliteBook 6 G1q 14 | |
| iperf3 transmit AXE11000 6GHz | |
| Dell Pro 14 Plus PB14255 GH77W | |
| Asus ExpertBook B5 B5404CMA | |
| HP EliteBook 6 G1q 14 | |
| HP EliteBook 8 G1a 14 AD3E9ET | |
| iperf3 receive AXE11000 6GHz | |
| Dell Pro 14 Plus PB14255 GH77W | |
| HP EliteBook 8 G1a 14 AD3E9ET | |
| Asus ExpertBook B5 B5404CMA | |
| HP EliteBook 6 G1q 14 | |
Webcam
Notre appareil de test est équipé d'une webcam de 2 MP et d'un obturateur physique, mais des configurations plus haut de gamme sont disponibles avec l'IR et une webcam de 5 MP à plus haute résolution.

Maintenance
Durabilité
Le châssis est composé de 50 % de métal recyclé et de 20 à 50 % de plastique recyclé ou provenant de l'océan. L'emballage est essentiellement composé de papier et de carton, avec un peu de plastique pour l'adaptateur secteur.
Accessoires et garantie
Il n'y a pas de supplément dans la boîte. La garantie limitée habituelle d'un an du fabricant s'applique si vous l'achetez aux États-Unis.
Périphériques d'entrée
Bien qu'il s'agisse d'un des modèles EliteBook les moins chers, le système reste agréable à utiliser, avec un retour d'information et une course satisfaisants pour chaque touche. Les claviers des modèles plus chers comme l'EliteBook Ultra G1q ont des touches de meilleure qualité avec une disposition légèrement différente pour les touches fléchées.
Affichage
Cinq options d'affichage sont disponibles comme suit. Notre unité de test spécifique est configurée avec l'option en gras.
- 1920 x 1200, IPS, 300 nits, 60 Hz, non tactile
- 1920 x 1200, IPS, 300 nits, 60 Hz, tactile
- 1920 x 1200, IPS, 400 nits, 60 Hz, non tactile
- 1920 x 1200, IPS, 800 nits, 60 Hz, Sure View, non tactile
- 2560 x 1600, IPS, 400 nits, 120 Hz, 100% DCI-P3, non tactile
Cette option offre des couleurs sRGB complètes, mais avec des temps de réponse noir-blanc relativement lents, pas d'étalonnage des couleurs en usine et seulement un taux de rafraîchissement de 60 Hz. Les options d'écran tactile sont limitées à la dalle bas de gamme 300-nit, tandis que la dalle super-lumineuse est réservée à l'option Sure View. Pour la navigation de base, le streaming et l'édition d'images en amateur, notre écran de 400 lumens avec des couleurs sRGB est suffisant.
| |||||||||||||||||||||||||
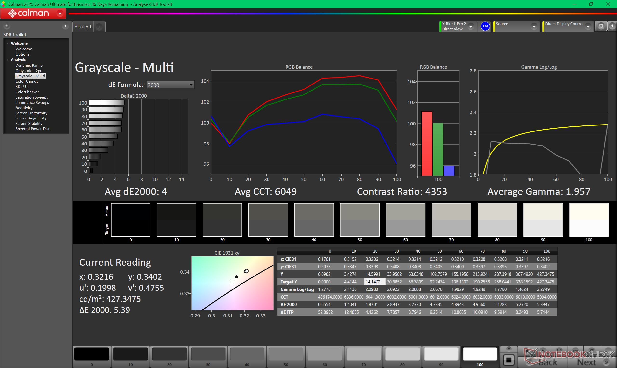
Homogénéité de la luminosité: 94 %
Valeur mesurée au centre, sur batterie: 434.4 cd/m²
Contraste: 3342:1 (Valeurs des noirs: 0.13 cd/m²)
ΔE ColorChecker Calman: 3.31 | ∀{0.5-29.43 Ø4.78}
ΔE Greyscale Calman: 4 | ∀{0.09-98 Ø5}
Gamma: 1.96
CCT: 6049 K
| HP EliteBook 6 G1q 14 LG Philips LGD079D, IPS, 1920x1200, 14", 90 Hz | HP EliteBook 8 G1a 14 AD3E9ET LGD079D, IPS LED, 1920x1200, 14", 60 Hz | HP ProBook 445 G10 AUO2FA6, IPS, 1920x1080, 14", 60 Hz | Lenovo ThinkPad E14 G7-21SYS00H00 TL140ADXP22, IPS, 2880x1800, 14", 120 Hz | Dell Pro 14 Plus PB14255 GH77W LP140WU4, IPS LED, 1920x1200, 14", 60 Hz | Asus ExpertBook B5 B5404CMA BOE NV140WUM-N43, IPS, 1920x1200, 14", 60 Hz | |
|---|---|---|---|---|---|---|
| Display | ||||||
| Display P3 Coverage (%) | 67.1 | 68.4 | 72.2 | 37.5 | 39.7 | |
| sRGB Coverage (%) | 96 | 95.2 | 100 | 56.3 | 59.1 | |
| AdobeRGB 1998 Coverage (%) | 69.2 | 70.6 | 73.7 | 38.8 | 41.1 | |
| Response Times | 31% | 14% | 44% | 41% | 54% | |
| Response Time Grey 50% / Grey 80% * (ms) | 50.2 ? | 31.4 ? 37% | 53.4 ? -6% | 32.7 ? 35% | 27.1 ? 46% | 23.65 ? 53% |
| Response Time Black / White * (ms) | 32.6 ? | 24.5 ? 25% | 21.8 ? 33% | 15.7 ? 52% | 21.1 ? 35% | 14.83 ? 55% |
| PWM Frequency (Hz) | ||||||
| Screen | -17% | -12% | -6% | -58% | -74% | |
| Brightness middle (cd/m²) | 434.4 | 444 2% | 501 15% | 389 -10% | 315 -27% | 290 -33% |
| Brightness (cd/m²) | 423 | 434 3% | 464 10% | 363 -14% | 295 -30% | 281 -34% |
| Brightness Distribution (%) | 94 | 94 0% | 87 -7% | 89 -5% | 87 -7% | 79 -16% |
| Black Level * (cd/m²) | 0.13 | 0.19 -46% | 0.26 -100% | 0.24 -85% | 0.25 -92% | 0.22 -69% |
| Contrast (:1) | 3342 | 2337 -30% | 1927 -42% | 1621 -51% | 1260 -62% | 1318 -61% |
| Colorchecker dE 2000 * | 3.31 | 3.4 -3% | 2.64 20% | 1.7 49% | 6 -81% | 6.61 -100% |
| Colorchecker dE 2000 max. * | 5.44 | 7 -29% | 5.06 7% | 3.5 36% | 15.2 -179% | 20.32 -274% |
| Greyscale dE 2000 * | 4 | 5.2 -30% | 3.8 5% | 2.8 30% | 3.3 17% | 4.1 -3% |
| Gamma | 1.96 112% | 2.04 108% | 2.103 105% | 2.17 101% | 2.02 109% | 1.81 122% |
| CCT | 6049 107% | 6295 103% | 6562 99% | 6572 99% | 6140 106% | 7048 92% |
| Colorchecker dE 2000 calibrated * | 1.7 | 1.57 | 1.2 | 5.1 | 4.25 | |
| Moyenne finale (programmes/paramètres) | 7% /
-7% | 1% /
-7% | 19% /
4% | -9% /
-38% | -10% /
-48% |
* ... Moindre est la valeur, meilleures sont les performances
L'écran n'est que décemment calibré avec sa température de couleur trop chaude et ses valeurs moyennes deltaE en niveaux de gris et en couleurs relativement basses de 4,0 et 3,31, respectivement. Ce n'est pas si mal pour un ordinateur portable professionnel, mais un étalonnage par l'utilisateur final peut s'avérer plus difficile, car le logiciel X-Rite n'est pas compatible avec les ordinateurs ARM.
Temps de réponse de l'écran
| ↔ Temps de réponse noir à blanc | ||
|---|---|---|
| 32.6 ms ... hausse ↗ et chute ↘ combinées | ↗ 14.9 ms hausse | |
| ↘ 17.7 ms chute | ||
| L'écran souffre de latences très élevées, à éviter pour le jeu. En comparaison, tous les appareils testés affichent entre 0.1 (minimum) et 240 (maximum) ms. » 88 % des appareils testés affichent de meilleures performances. Cela signifie que les latences relevées sont moins bonnes que la moyenne (20.2 ms) de tous les appareils testés. | ||
| ↔ Temps de réponse gris 50% à gris 80% | ||
| 50.2 ms ... hausse ↗ et chute ↘ combinées | ↗ 22.2 ms hausse | |
| ↘ 28 ms chute | ||
| L'écran souffre de latences très élevées, à éviter pour le jeu. En comparaison, tous les appareils testés affichent entre 0.165 (minimum) et 636 (maximum) ms. » 86 % des appareils testés affichent de meilleures performances. Cela signifie que les latences relevées sont moins bonnes que la moyenne (31.6 ms) de tous les appareils testés. | ||
Scintillement / MLI (Modulation de largeur d'impulsion)
| Scintillement / MLI (Modulation de largeur d'impulsion) non décelé | |||
En comparaison, 53 % des appareils testés n'emploient pas MDI pour assombrir leur écran. Nous avons relevé une moyenne à 8091 (minimum : 5 - maximum : 343500) Hz dans le cas où une MDI était active. | |||
Performance
Conditions d'essai
Nous avons réglé Windows sur le mode Performance avant d'effectuer les tests ci-dessous.
Processeur
Il peut être difficile de comparer directement les performances du processeur avec celles d'un ordinateur portable x86. Si l'application fonctionne en mode natif sur Windows ARM, alors notre Snapdragon X Plus X1P-42-100 peut surpasser les performances des ordinateurs portables Lunar Lake Core Ultra 7 258V de plus de 30 % dans les charges de travail multithread brutes. Cependant, si l'application doit être émulée, notre CPU Snapdragon peut être jusqu'à 25 % plus lent pour être au même niveau qu'un CPU plus ancien de la série U comme le Ryzen 5 7530U.
En passant au processeur Snapdragon X Elite X1E-78-100 de notre Snapdragon X Plus X1P-42-100 devrait augmenter les performances de 10 à 15 %, tandis que le passage au Snapdragon X X1-26-100 devrait diminuer les performances Snapdragon X X1-26-100 devrait entraîner une baisse des performances de 15 %.
Cinebench R15 Multi Loop
Cinebench R23: Multi Core | Single Core
Cinebench R20: CPU (Multi Core) | CPU (Single Core)
Cinebench R15: CPU Multi 64Bit | CPU Single 64Bit
Blender: v2.79 BMW27 CPU
7-Zip 18.03: 7z b 4 | 7z b 4 -mmt1
Geekbench 6.5: Multi-Core | Single-Core
Geekbench 5.5: Multi-Core | Single-Core
HWBOT x265 Benchmark v2.2: 4k Preset
LibreOffice : 20 Documents To PDF
R Benchmark 2.5: Overall mean
Cinebench 2024: CPU Multi Core | CPU Single Core
| CPU Performance rating | |
| HP EliteBook 8 G1a 14 AD3E9ET -2! | |
| Dell Pro 14 Plus PB14255 GH77W -2! | |
| Lenovo ThinkPad T14 Gen 6 21QG001VGE -2! | |
| HP OmniBook X Flip 16 | |
| Honor MagicBook Art 14 Snapdragon -2! | |
| Asus ExpertBook B5 B5404CMA -2! | |
| Lenovo ThinkPad E14 Gen 7 21U2002QGE | |
| HP OmniBook X 14 -3! | |
| HP Omnibook 5 14 | |
| Samsung Galaxy Book4 Edge 14 -2! | |
| HP ProBook 445 G10 -2! | |
| HP EliteBook 6 G1q 14 -2! | |
| Moyenne Qualcomm Snapdragon X Plus X1P-42-100 | |
| Asus ZenBook A14 UX3407QA -2! | |
| Cinebench R23 / Multi Core | |
| Dell Pro 14 Plus PB14255 GH77W | |
| HP EliteBook 8 G1a 14 AD3E9ET | |
| Lenovo ThinkPad T14 Gen 6 21QG001VGE | |
| Honor MagicBook Art 14 Snapdragon | |
| Asus ExpertBook B5 B5404CMA | |
| HP OmniBook X Flip 16 | |
| HP OmniBook X 14 | |
| Lenovo ThinkPad E14 Gen 7 21U2002QGE | |
| HP EliteBook 6 G1q 14 | |
| HP ProBook 445 G10 | |
| HP Omnibook 5 14 | |
| Moyenne Qualcomm Snapdragon X Plus X1P-42-100 (6062 - 8284, n=10) | |
| Asus ZenBook A14 UX3407QA | |
| Samsung Galaxy Book4 Edge 14 | |
| Cinebench R23 / Single Core | |
| Dell Pro 14 Plus PB14255 GH77W | |
| Lenovo ThinkPad T14 Gen 6 21QG001VGE | |
| HP OmniBook X Flip 16 | |
| Lenovo ThinkPad E14 Gen 7 21U2002QGE | |
| Asus ExpertBook B5 B5404CMA | |
| HP EliteBook 8 G1a 14 AD3E9ET | |
| HP ProBook 445 G10 | |
| Honor MagicBook Art 14 Snapdragon | |
| Samsung Galaxy Book4 Edge 14 | |
| HP EliteBook 6 G1q 14 | |
| HP OmniBook X 14 | |
| Moyenne Qualcomm Snapdragon X Plus X1P-42-100 (1065 - 1134, n=10) | |
| HP Omnibook 5 14 | |
| Asus ZenBook A14 UX3407QA | |
| Cinebench R20 / CPU (Multi Core) | |
| Dell Pro 14 Plus PB14255 GH77W | |
| HP EliteBook 8 G1a 14 AD3E9ET | |
| Lenovo ThinkPad T14 Gen 6 21QG001VGE | |
| HP OmniBook X 14 | |
| Honor MagicBook Art 14 Snapdragon | |
| Asus ExpertBook B5 B5404CMA | |
| HP OmniBook X Flip 16 | |
| Lenovo ThinkPad E14 Gen 7 21U2002QGE | |
| HP EliteBook 6 G1q 14 | |
| HP ProBook 445 G10 | |
| Moyenne Qualcomm Snapdragon X Plus X1P-42-100 (2361 - 3125, n=10) | |
| HP Omnibook 5 14 | |
| Asus ZenBook A14 UX3407QA | |
| Samsung Galaxy Book4 Edge 14 | |
| Cinebench R20 / CPU (Single Core) | |
| Dell Pro 14 Plus PB14255 GH77W | |
| Lenovo ThinkPad T14 Gen 6 21QG001VGE | |
| HP OmniBook X Flip 16 | |
| HP EliteBook 8 G1a 14 AD3E9ET | |
| Lenovo ThinkPad E14 Gen 7 21U2002QGE | |
| Asus ExpertBook B5 B5404CMA | |
| HP ProBook 445 G10 | |
| Honor MagicBook Art 14 Snapdragon | |
| Samsung Galaxy Book4 Edge 14 | |
| HP EliteBook 6 G1q 14 | |
| HP OmniBook X 14 | |
| Moyenne Qualcomm Snapdragon X Plus X1P-42-100 (406 - 427, n=10) | |
| HP Omnibook 5 14 | |
| Asus ZenBook A14 UX3407QA | |
| Cinebench R15 / CPU Multi 64Bit | |
| HP OmniBook X 14 | |
| Honor MagicBook Art 14 Snapdragon | |
| HP EliteBook 8 G1a 14 AD3E9ET | |
| Dell Pro 14 Plus PB14255 GH77W | |
| Asus ExpertBook B5 B5404CMA | |
| Lenovo ThinkPad T14 Gen 6 21QG001VGE | |
| HP OmniBook X Flip 16 | |
| HP EliteBook 6 G1q 14 | |
| Lenovo ThinkPad E14 Gen 7 21U2002QGE | |
| HP Omnibook 5 14 | |
| Samsung Galaxy Book4 Edge 14 | |
| Moyenne Qualcomm Snapdragon X Plus X1P-42-100 (1191 - 1560, n=10) | |
| Asus ZenBook A14 UX3407QA | |
| HP ProBook 445 G10 | |
| Cinebench R15 / CPU Single 64Bit | |
| Lenovo ThinkPad T14 Gen 6 21QG001VGE | |
| HP OmniBook X Flip 16 | |
| Lenovo ThinkPad E14 Gen 7 21U2002QGE | |
| HP EliteBook 8 G1a 14 AD3E9ET | |
| Honor MagicBook Art 14 Snapdragon | |
| Asus ExpertBook B5 B5404CMA | |
| Samsung Galaxy Book4 Edge 14 | |
| HP ProBook 445 G10 | |
| HP OmniBook X 14 | |
| HP EliteBook 6 G1q 14 | |
| Moyenne Qualcomm Snapdragon X Plus X1P-42-100 (206 - 215, n=10) | |
| HP Omnibook 5 14 | |
| Dell Pro 14 Plus PB14255 GH77W | |
| Asus ZenBook A14 UX3407QA | |
| Blender / v2.79 BMW27 CPU | |
| Samsung Galaxy Book4 Edge 14 | |
| Asus ZenBook A14 UX3407QA | |
| Moyenne Qualcomm Snapdragon X Plus X1P-42-100 (398 - 683, n=10) | |
| HP Omnibook 5 14 | |
| Lenovo ThinkPad E14 Gen 7 21U2002QGE | |
| HP EliteBook 6 G1q 14 | |
| HP ProBook 445 G10 | |
| HP OmniBook X 14 | |
| Honor MagicBook Art 14 Snapdragon | |
| HP OmniBook X Flip 16 | |
| Lenovo ThinkPad T14 Gen 6 21QG001VGE | |
| Asus ExpertBook B5 B5404CMA | |
| Dell Pro 14 Plus PB14255 GH77W | |
| HP EliteBook 8 G1a 14 AD3E9ET | |
| 7-Zip 18.03 / 7z b 4 | |
| HP EliteBook 8 G1a 14 AD3E9ET | |
| Dell Pro 14 Plus PB14255 GH77W | |
| HP OmniBook X 14 | |
| Honor MagicBook Art 14 Snapdragon | |
| Asus ExpertBook B5 B5404CMA | |
| HP ProBook 445 G10 | |
| Lenovo ThinkPad T14 Gen 6 21QG001VGE | |
| HP OmniBook X Flip 16 | |
| Samsung Galaxy Book4 Edge 14 | |
| HP Omnibook 5 14 | |
| HP EliteBook 6 G1q 14 | |
| Moyenne Qualcomm Snapdragon X Plus X1P-42-100 (29238 - 32811, n=10) | |
| Asus ZenBook A14 UX3407QA | |
| Lenovo ThinkPad E14 Gen 7 21U2002QGE | |
| 7-Zip 18.03 / 7z b 4 -mmt1 | |
| HP EliteBook 8 G1a 14 AD3E9ET | |
| Dell Pro 14 Plus PB14255 GH77W | |
| Lenovo ThinkPad T14 Gen 6 21QG001VGE | |
| HP OmniBook X Flip 16 | |
| HP ProBook 445 G10 | |
| Lenovo ThinkPad E14 Gen 7 21U2002QGE | |
| Honor MagicBook Art 14 Snapdragon | |
| Samsung Galaxy Book4 Edge 14 | |
| Asus ExpertBook B5 B5404CMA | |
| HP Omnibook 5 14 | |
| HP OmniBook X 14 | |
| HP EliteBook 6 G1q 14 | |
| Moyenne Qualcomm Snapdragon X Plus X1P-42-100 (4087 - 4675, n=10) | |
| Asus ZenBook A14 UX3407QA | |
| Geekbench 6.5 / Multi-Core | |
| Honor MagicBook Art 14 Snapdragon | |
| HP Omnibook 5 14 | |
| Samsung Galaxy Book4 Edge 14 | |
| HP OmniBook X 14 | |
| Dell Pro 14 Plus PB14255 GH77W | |
| HP EliteBook 6 G1q 14 | |
| Moyenne Qualcomm Snapdragon X Plus X1P-42-100 (7609 - 14998, n=10) | |
| HP EliteBook 8 G1a 14 AD3E9ET | |
| Lenovo ThinkPad T14 Gen 6 21QG001VGE | |
| HP OmniBook X Flip 16 | |
| Asus ZenBook A14 UX3407QA | |
| Lenovo ThinkPad E14 Gen 7 21U2002QGE | |
| Asus ExpertBook B5 B5404CMA | |
| HP ProBook 445 G10 | |
| Geekbench 6.5 / Single-Core | |
| Honor MagicBook Art 14 Snapdragon | |
| Dell Pro 14 Plus PB14255 GH77W | |
| Lenovo ThinkPad T14 Gen 6 21QG001VGE | |
| Samsung Galaxy Book4 Edge 14 | |
| HP OmniBook X Flip 16 | |
| HP Omnibook 5 14 | |
| HP EliteBook 8 G1a 14 AD3E9ET | |
| Lenovo ThinkPad E14 Gen 7 21U2002QGE | |
| HP OmniBook X 14 | |
| HP EliteBook 6 G1q 14 | |
| Moyenne Qualcomm Snapdragon X Plus X1P-42-100 (2271 - 2675, n=9) | |
| Asus ExpertBook B5 B5404CMA | |
| Asus ZenBook A14 UX3407QA | |
| HP ProBook 445 G10 | |
| Geekbench 5.5 / Multi-Core | |
| Dell Pro 14 Plus PB14255 GH77W | |
| HP EliteBook 8 G1a 14 AD3E9ET | |
| Lenovo ThinkPad T14 Gen 6 21QG001VGE | |
| HP OmniBook X Flip 16 | |
| Lenovo ThinkPad E14 Gen 7 21U2002QGE | |
| Asus ExpertBook B5 B5404CMA | |
| HP Omnibook 5 14 | |
| Moyenne Qualcomm Snapdragon X Plus X1P-42-100 (4457 - 8618, n=3) | |
| HP ProBook 445 G10 | |
| Geekbench 5.5 / Single-Core | |
| Dell Pro 14 Plus PB14255 GH77W | |
| Lenovo ThinkPad T14 Gen 6 21QG001VGE | |
| HP OmniBook X Flip 16 | |
| HP EliteBook 8 G1a 14 AD3E9ET | |
| Lenovo ThinkPad E14 Gen 7 21U2002QGE | |
| Asus ExpertBook B5 B5404CMA | |
| HP Omnibook 5 14 | |
| Moyenne Qualcomm Snapdragon X Plus X1P-42-100 (1486 - 1669, n=3) | |
| HP ProBook 445 G10 | |
| HWBOT x265 Benchmark v2.2 / 4k Preset | |
| Dell Pro 14 Plus PB14255 GH77W | |
| HP EliteBook 8 G1a 14 AD3E9ET | |
| Lenovo ThinkPad T14 Gen 6 21QG001VGE | |
| HP OmniBook X Flip 16 | |
| Asus ExpertBook B5 B5404CMA | |
| Lenovo ThinkPad E14 Gen 7 21U2002QGE | |
| HP ProBook 445 G10 | |
| Honor MagicBook Art 14 Snapdragon | |
| HP OmniBook X 14 | |
| HP EliteBook 6 G1q 14 | |
| HP Omnibook 5 14 | |
| Moyenne Qualcomm Snapdragon X Plus X1P-42-100 (3.16 - 6.18, n=10) | |
| Samsung Galaxy Book4 Edge 14 | |
| Asus ZenBook A14 UX3407QA | |
| LibreOffice / 20 Documents To PDF | |
| Dell Pro 14 Plus PB14255 GH77W | |
| Asus ZenBook A14 UX3407QA | |
| HP EliteBook 8 G1a 14 AD3E9ET | |
| Moyenne Qualcomm Snapdragon X Plus X1P-42-100 (49.8 - 62.7, n=10) | |
| HP Omnibook 5 14 | |
| Asus ExpertBook B5 B5404CMA | |
| HP ProBook 445 G10 | |
| Lenovo ThinkPad E14 Gen 7 21U2002QGE | |
| Samsung Galaxy Book4 Edge 14 | |
| Honor MagicBook Art 14 Snapdragon | |
| HP EliteBook 6 G1q 14 | |
| Lenovo ThinkPad T14 Gen 6 21QG001VGE | |
| HP OmniBook X Flip 16 | |
| R Benchmark 2.5 / Overall mean | |
| Asus ZenBook A14 UX3407QA | |
| Moyenne Qualcomm Snapdragon X Plus X1P-42-100 (0.728 - 0.777, n=10) | |
| HP EliteBook 6 G1q 14 | |
| HP Omnibook 5 14 | |
| HP OmniBook X 14 | |
| Dell Pro 14 Plus PB14255 GH77W | |
| Samsung Galaxy Book4 Edge 14 | |
| Honor MagicBook Art 14 Snapdragon | |
| HP ProBook 445 G10 | |
| Asus ExpertBook B5 B5404CMA | |
| Lenovo ThinkPad E14 Gen 7 21U2002QGE | |
| HP EliteBook 8 G1a 14 AD3E9ET | |
| Lenovo ThinkPad T14 Gen 6 21QG001VGE | |
| HP OmniBook X Flip 16 | |
| Cinebench 2024 / CPU Multi Core | |
| Honor MagicBook Art 14 Snapdragon | |
| HP OmniBook X 14 | |
| HP EliteBook 6 G1q 14 | |
| HP Omnibook 5 14 | |
| Moyenne Qualcomm Snapdragon X Plus X1P-42-100 (554 - 763, n=11) | |
| Asus ZenBook A14 UX3407QA | |
| Samsung Galaxy Book4 Edge 14 | |
| HP OmniBook X Flip 16 | |
| Lenovo ThinkPad E14 Gen 7 21U2002QGE | |
| Cinebench 2024 / CPU Single Core | |
| Honor MagicBook Art 14 Snapdragon | |
| Samsung Galaxy Book4 Edge 14 | |
| HP OmniBook X Flip 16 | |
| Moyenne Qualcomm Snapdragon X Plus X1P-42-100 (107 - 109, n=10) | |
| HP OmniBook X 14 | |
| HP Omnibook 5 14 | |
| HP EliteBook 6 G1q 14 | |
| Lenovo ThinkPad E14 Gen 7 21U2002QGE | |
| Asus ZenBook A14 UX3407QA | |
Cinebench R23: Multi Core | Single Core
Cinebench R20: CPU (Multi Core) | CPU (Single Core)
Cinebench R15: CPU Multi 64Bit | CPU Single 64Bit
Blender: v2.79 BMW27 CPU
7-Zip 18.03: 7z b 4 | 7z b 4 -mmt1
Geekbench 6.5: Multi-Core | Single-Core
Geekbench 5.5: Multi-Core | Single-Core
HWBOT x265 Benchmark v2.2: 4k Preset
LibreOffice : 20 Documents To PDF
R Benchmark 2.5: Overall mean
Cinebench 2024: CPU Multi Core | CPU Single Core
* ... Moindre est la valeur, meilleures sont les performances
AIDA64: FP32 Ray-Trace | FPU Julia | CPU SHA3 | CPU Queen | FPU SinJulia | FPU Mandel | CPU AES | CPU ZLib | FP64 Ray-Trace | CPU PhotoWorxx
| Performance rating | |
| HP EliteBook 8 G1a 14 AD3E9ET | |
| Dell Pro 14 Plus PB14255 GH77W | |
| Lenovo ThinkPad E14 Gen 7 21U2002QGE | |
| Asus ExpertBook B5 B5404CMA | |
| HP ProBook 445 G10 | |
| HP EliteBook 6 G1q 14 | |
| Moyenne Qualcomm Snapdragon X Plus X1P-42-100 | |
| AIDA64 / FP32 Ray-Trace | |
| Dell Pro 14 Plus PB14255 GH77W | |
| HP EliteBook 8 G1a 14 AD3E9ET | |
| Lenovo ThinkPad E14 Gen 7 21U2002QGE | |
| HP ProBook 445 G10 | |
| Asus ExpertBook B5 B5404CMA | |
| HP EliteBook 6 G1q 14 | |
| Moyenne Qualcomm Snapdragon X Plus X1P-42-100 (1480 - 6208, n=9) | |
| AIDA64 / FPU Julia | |
| HP EliteBook 8 G1a 14 AD3E9ET | |
| Dell Pro 14 Plus PB14255 GH77W | |
| Lenovo ThinkPad E14 Gen 7 21U2002QGE | |
| HP ProBook 445 G10 | |
| Asus ExpertBook B5 B5404CMA | |
| HP EliteBook 6 G1q 14 | |
| Moyenne Qualcomm Snapdragon X Plus X1P-42-100 (14234 - 17629, n=9) | |
| AIDA64 / CPU SHA3 | |
| HP EliteBook 8 G1a 14 AD3E9ET | |
| Dell Pro 14 Plus PB14255 GH77W | |
| HP EliteBook 6 G1q 14 | |
| Lenovo ThinkPad E14 Gen 7 21U2002QGE | |
| Asus ExpertBook B5 B5404CMA | |
| Moyenne Qualcomm Snapdragon X Plus X1P-42-100 (2036 - 2642, n=9) | |
| HP ProBook 445 G10 | |
| AIDA64 / CPU Queen | |
| HP EliteBook 8 G1a 14 AD3E9ET | |
| Dell Pro 14 Plus PB14255 GH77W | |
| HP ProBook 445 G10 | |
| HP EliteBook 6 G1q 14 | |
| Moyenne Qualcomm Snapdragon X Plus X1P-42-100 (44346 - 48641, n=9) | |
| Lenovo ThinkPad E14 Gen 7 21U2002QGE | |
| Asus ExpertBook B5 B5404CMA | |
| AIDA64 / FPU SinJulia | |
| HP EliteBook 8 G1a 14 AD3E9ET | |
| Dell Pro 14 Plus PB14255 GH77W | |
| HP ProBook 445 G10 | |
| Asus ExpertBook B5 B5404CMA | |
| Lenovo ThinkPad E14 Gen 7 21U2002QGE | |
| HP EliteBook 6 G1q 14 | |
| Moyenne Qualcomm Snapdragon X Plus X1P-42-100 (1240 - 1502, n=9) | |
| AIDA64 / FPU Mandel | |
| HP EliteBook 8 G1a 14 AD3E9ET | |
| Dell Pro 14 Plus PB14255 GH77W | |
| HP ProBook 445 G10 | |
| Lenovo ThinkPad E14 Gen 7 21U2002QGE | |
| Asus ExpertBook B5 B5404CMA | |
| HP EliteBook 6 G1q 14 | |
| Moyenne Qualcomm Snapdragon X Plus X1P-42-100 (4929 - 9953, n=9) | |
| AIDA64 / CPU AES | |
| HP EliteBook 8 G1a 14 AD3E9ET | |
| Dell Pro 14 Plus PB14255 GH77W | |
| Asus ExpertBook B5 B5404CMA | |
| HP EliteBook 6 G1q 14 | |
| Moyenne Qualcomm Snapdragon X Plus X1P-42-100 (37646 - 45232, n=9) | |
| Lenovo ThinkPad E14 Gen 7 21U2002QGE | |
| HP ProBook 445 G10 | |
| AIDA64 / CPU ZLib | |
| HP EliteBook 8 G1a 14 AD3E9ET | |
| Dell Pro 14 Plus PB14255 GH77W | |
| Asus ExpertBook B5 B5404CMA | |
| Lenovo ThinkPad E14 Gen 7 21U2002QGE | |
| HP EliteBook 6 G1q 14 | |
| HP ProBook 445 G10 | |
| Moyenne Qualcomm Snapdragon X Plus X1P-42-100 (473 - 524, n=9) | |
| AIDA64 / FP64 Ray-Trace | |
| Dell Pro 14 Plus PB14255 GH77W | |
| HP EliteBook 8 G1a 14 AD3E9ET | |
| Lenovo ThinkPad E14 Gen 7 21U2002QGE | |
| HP ProBook 445 G10 | |
| Asus ExpertBook B5 B5404CMA | |
| HP EliteBook 6 G1q 14 | |
| Moyenne Qualcomm Snapdragon X Plus X1P-42-100 (2262 - 3430, n=9) | |
| AIDA64 / CPU PhotoWorxx | |
| Lenovo ThinkPad E14 Gen 7 21U2002QGE | |
| HP EliteBook 8 G1a 14 AD3E9ET | |
| Dell Pro 14 Plus PB14255 GH77W | |
| Asus ExpertBook B5 B5404CMA | |
| HP EliteBook 6 G1q 14 | |
| Moyenne Qualcomm Snapdragon X Plus X1P-42-100 (31088 - 32478, n=9) | |
| HP ProBook 445 G10 | |
CrossMark: Overall | Productivity | Creativity | Responsiveness
WebXPRT 3: Overall
WebXPRT 4: Overall
Mozilla Kraken 1.1: Total
Geekbench AI: Quantized GPU 1.5 | Half Precision GPU 1.5 | Single Precision GPU 1.5
| Performance rating | |
| Dell Pro 14 Plus PB14255 GH77W -3! | |
| HP EliteBook 6 G1q 14 | |
| Moyenne Qualcomm Snapdragon X Plus X1P-42-100, Qualcomm SD X Adreno X1-45 1.7 TFLOPS | |
| HP EliteBook 8 G1a 14 AD3E9ET -3! | |
| Lenovo ThinkPad E14 Gen 7 21U2002QGE -3! | |
| Asus ExpertBook B5 B5404CMA -3! | |
| CrossMark / Overall | |
| Dell Pro 14 Plus PB14255 GH77W | |
| HP EliteBook 8 G1a 14 AD3E9ET | |
| Lenovo ThinkPad E14 Gen 7 21U2002QGE | |
| Asus ExpertBook B5 B5404CMA | |
| Moyenne Qualcomm Snapdragon X Plus X1P-42-100, Qualcomm SD X Adreno X1-45 1.7 TFLOPS (1061 - 1463, n=10) | |
| HP EliteBook 6 G1q 14 | |
| CrossMark / Productivity | |
| Dell Pro 14 Plus PB14255 GH77W | |
| HP EliteBook 8 G1a 14 AD3E9ET | |
| Asus ExpertBook B5 B5404CMA | |
| Lenovo ThinkPad E14 Gen 7 21U2002QGE | |
| Moyenne Qualcomm Snapdragon X Plus X1P-42-100, Qualcomm SD X Adreno X1-45 1.7 TFLOPS (1059 - 1284, n=10) | |
| HP EliteBook 6 G1q 14 | |
| CrossMark / Creativity | |
| Dell Pro 14 Plus PB14255 GH77W | |
| HP EliteBook 8 G1a 14 AD3E9ET | |
| Lenovo ThinkPad E14 Gen 7 21U2002QGE | |
| Asus ExpertBook B5 B5404CMA | |
| Moyenne Qualcomm Snapdragon X Plus X1P-42-100, Qualcomm SD X Adreno X1-45 1.7 TFLOPS (1070 - 1660, n=10) | |
| HP EliteBook 6 G1q 14 | |
| CrossMark / Responsiveness | |
| Dell Pro 14 Plus PB14255 GH77W | |
| Asus ExpertBook B5 B5404CMA | |
| HP EliteBook 8 G1a 14 AD3E9ET | |
| Lenovo ThinkPad E14 Gen 7 21U2002QGE | |
| Moyenne Qualcomm Snapdragon X Plus X1P-42-100, Qualcomm SD X Adreno X1-45 1.7 TFLOPS (989 - 1563, n=10) | |
| HP EliteBook 6 G1q 14 | |
| WebXPRT 3 / Overall | |
| HP EliteBook 6 G1q 14 | |
| Moyenne Qualcomm Snapdragon X Plus X1P-42-100, Qualcomm SD X Adreno X1-45 1.7 TFLOPS (129.9 - 426, n=10) | |
| Dell Pro 14 Plus PB14255 GH77W | |
| HP EliteBook 8 G1a 14 AD3E9ET | |
| Lenovo ThinkPad E14 Gen 7 21U2002QGE | |
| Asus ExpertBook B5 B5404CMA | |
| WebXPRT 4 / Overall | |
| HP EliteBook 6 G1q 14 | |
| Moyenne Qualcomm Snapdragon X Plus X1P-42-100, Qualcomm SD X Adreno X1-45 1.7 TFLOPS (130.3 - 289, n=10) | |
| Lenovo ThinkPad E14 Gen 7 21U2002QGE | |
| Asus ExpertBook B5 B5404CMA | |
| HP EliteBook 8 G1a 14 AD3E9ET | |
| Dell Pro 14 Plus PB14255 GH77W | |
| Mozilla Kraken 1.1 / Total | |
| Moyenne Qualcomm Snapdragon X Plus X1P-42-100, Qualcomm SD X Adreno X1-45 1.7 TFLOPS (396 - 1145, n=10) | |
| HP EliteBook 8 G1a 14 AD3E9ET | |
| Lenovo ThinkPad E14 Gen 7 21U2002QGE | |
| Asus ExpertBook B5 B5404CMA | |
| Dell Pro 14 Plus PB14255 GH77W | |
| HP EliteBook 6 G1q 14 | |
| Geekbench AI / Quantized GPU 1.5 | |
| Moyenne Qualcomm Snapdragon X Plus X1P-42-100, Qualcomm SD X Adreno X1-45 1.7 TFLOPS (40257 - 40994, n=3) | |
| HP EliteBook 6 G1q 14 | |
| Geekbench AI / Half Precision GPU 1.5 | |
| Moyenne Qualcomm Snapdragon X Plus X1P-42-100, Qualcomm SD X Adreno X1-45 1.7 TFLOPS (16463 - 16672, n=3) | |
| HP EliteBook 6 G1q 14 | |
| Geekbench AI / Single Precision GPU 1.5 | |
| HP EliteBook 6 G1q 14 | |
| Moyenne Qualcomm Snapdragon X Plus X1P-42-100, Qualcomm SD X Adreno X1-45 1.7 TFLOPS (1539 - 1707, n=3) | |
* ... Moindre est la valeur, meilleures sont les performances
| AIDA64 / Memory Copy | |
| Lenovo ThinkPad E14 Gen 7 21U2002QGE | |
| Dell Pro 14 Plus PB14255 GH77W | |
| HP EliteBook 8 G1a 14 AD3E9ET | |
| HP EliteBook 6 G1q 14 | |
| Moyenne Qualcomm Snapdragon X Plus X1P-42-100 (61258 - 63933, n=9) | |
| Asus ExpertBook B5 B5404CMA | |
| HP ProBook 445 G10 | |
| AIDA64 / Memory Read | |
| Moyenne Qualcomm Snapdragon X Plus X1P-42-100 (112408 - 128030, n=9) | |
| HP EliteBook 6 G1q 14 | |
| Lenovo ThinkPad E14 Gen 7 21U2002QGE | |
| Dell Pro 14 Plus PB14255 GH77W | |
| HP EliteBook 8 G1a 14 AD3E9ET | |
| Asus ExpertBook B5 B5404CMA | |
| HP ProBook 445 G10 | |
| AIDA64 / Memory Write | |
| Lenovo ThinkPad E14 Gen 7 21U2002QGE | |
| Dell Pro 14 Plus PB14255 GH77W | |
| HP EliteBook 8 G1a 14 AD3E9ET | |
| HP EliteBook 6 G1q 14 | |
| Moyenne Qualcomm Snapdragon X Plus X1P-42-100 (45782 - 49288, n=9) | |
| Asus ExpertBook B5 B5404CMA | |
| HP ProBook 445 G10 | |
| AIDA64 / Memory Latency | |
| Asus ExpertBook B5 B5404CMA | |
| Dell Pro 14 Plus PB14255 GH77W | |
| HP EliteBook 8 G1a 14 AD3E9ET | |
| Lenovo ThinkPad E14 Gen 7 21U2002QGE | |
| HP ProBook 445 G10 | |
| HP EliteBook 6 G1q 14 | |
| Moyenne Qualcomm Snapdragon X Plus X1P-42-100 (6.8 - 8.7, n=5) | |
* ... Moindre est la valeur, meilleures sont les performances
Dispositifs de stockage
Notre Samsung PM9A1 est plus rapide que le PM9C1 de l'EliteBook 8 14, mais il s'essouffle après quelques minutes de notre test en boucle DiskSpd, comme le montre le graphique de comparaison ci-dessous. Il n'y a pas d'espace pour des disques SSD secondaires.
| Drive Performance rating - Percent | |
| Dell Pro 14 Plus PB14255 GH77W | |
| HP EliteBook 8 G1a 14 AD3E9ET | |
| Lenovo ThinkPad E14 Gen 7 21U2002QGE | |
| HP EliteBook 6 G1q 14 | |
| Asus ExpertBook B5 B5404CMA | |
| HP ProBook 445 G10 | |
* ... Moindre est la valeur, meilleures sont les performances
Throttoir de disque : Boucle de lecture DiskSpd, profondeur de la file d'attente 8
Performance du GPU
Les performances graphiques sont l'un des aspects les plus faibles du système. Le système intégré Adreno X1 intégré est surpassé même par le système de milieu de gamme Arc 130V ou la Radeon 860M sur les subnotebooks concurrents, d'autant plus que de nombreuses applications gourmandes en GPU doivent fonctionner en émulation sur le système.
| 3DMark Performance rating - Percent | |
| Lenovo ThinkPad T14 Gen 6 21QG001VGE -1! | |
| Lenovo ThinkPad E14 Gen 7 21U2002QGE -1! | |
| HP EliteBook 8 G1a 14 AD3E9ET -1! | |
| Dell Pro 14 Plus PB14255 GH77W -1! | |
| Asus ExpertBook B5 B5404CMA | |
| Honor MagicBook Art 14 Snapdragon -2! | |
| Moyenne Qualcomm SD X Adreno X1-45 1.7 TFLOPS | |
| HP Omnibook 5 14 | |
| HP EliteBook 6 G1q 14 | |
| HP ProBook 445 G10 -1! | |
| Samsung Galaxy Book4 Edge 14 -1! | |
| Asus ZenBook A14 UX3407QA -2! | |
| HP OmniBook X 14 -1! | |
| 3DMark 11 Performance | 4591 points | |
| 3DMark Cloud Gate Standard Score | 17447 points | |
| 3DMark Fire Strike Score | 3667 points | |
| 3DMark Time Spy Score | 1067 points | |
Aide | ||
* ... Moindre est la valeur, meilleures sont les performances
| Performance rating - Percent | |
| Lenovo ThinkPad E14 Gen 7 21U2002QGE | |
| Dell Pro 14 Plus PB14255 GH77W -2! | |
| HP EliteBook 8 G1a 14 AD3E9ET -1! | |
| Asus ExpertBook B5 B5404CMA | |
| HP EliteBook 6 G1q 14 | |
| HP ProBook 445 G10 -2! | |
| Cyberpunk 2077 - 1920x1080 Ultra Preset (FSR off) | |
| Lenovo ThinkPad E14 Gen 7 21U2002QGE | |
| HP EliteBook 8 G1a 14 AD3E9ET | |
| Dell Pro 14 Plus PB14255 GH77W | |
| Asus ExpertBook B5 B5404CMA | |
| HP EliteBook 6 G1q 14 | |
| Baldur's Gate 3 - 1920x1080 Ultra Preset AA:T | |
| Lenovo ThinkPad E14 Gen 7 21U2002QGE | |
| HP EliteBook 8 G1a 14 AD3E9ET | |
| Dell Pro 14 Plus PB14255 GH77W | |
| Asus ExpertBook B5 B5404CMA | |
| HP EliteBook 6 G1q 14 | |
| GTA V - 1920x1080 Highest AA:4xMSAA + FX AF:16x | |
| Lenovo ThinkPad E14 Gen 7 21U2002QGE | |
| HP EliteBook 8 G1a 14 AD3E9ET | |
| HP EliteBook 6 G1q 14 | |
| Asus ExpertBook B5 B5404CMA | |
| HP ProBook 445 G10 | |
| Final Fantasy XV Benchmark - 1920x1080 High Quality | |
| Lenovo ThinkPad E14 Gen 7 21U2002QGE | |
| HP EliteBook 8 G1a 14 AD3E9ET | |
| Dell Pro 14 Plus PB14255 GH77W | |
| Asus ExpertBook B5 B5404CMA | |
| HP EliteBook 6 G1q 14 | |
| HP ProBook 445 G10 | |
| Strange Brigade - 1920x1080 ultra AA:ultra AF:16 | |
| Lenovo ThinkPad E14 Gen 7 21U2002QGE | |
| Asus ExpertBook B5 B5404CMA | |
| Asus ExpertBook B5 B5404CMA | |
| HP EliteBook 6 G1q 14 | |
| HP ProBook 445 G10 | |
| Dota 2 Reborn - 1920x1080 ultra (3/3) best looking | |
| Dell Pro 14 Plus PB14255 GH77W | |
| Asus ExpertBook B5 B5404CMA | |
| Lenovo ThinkPad E14 Gen 7 21U2002QGE | |
| HP EliteBook 6 G1q 14 | |
| HP EliteBook 8 G1a 14 AD3E9ET | |
| HP ProBook 445 G10 | |
| X-Plane 11.11 - 1920x1080 high (fps_test=3) | |
| Dell Pro 14 Plus PB14255 GH77W | |
| HP EliteBook 8 G1a 14 AD3E9ET | |
| Lenovo ThinkPad E14 Gen 7 21U2002QGE | |
| HP EliteBook 6 G1q 14 | |
| Asus ExpertBook B5 B5404CMA | |
| HP ProBook 445 G10 | |
Cyberpunk 2077 ultra FPS Chart
| Bas | Moyen | Élevé | Ultra | |
|---|---|---|---|---|
| GTA V (2015) | 112 | 103.6 | 34.2 | 15.3 |
| Dota 2 Reborn (2015) | 85.6 | 67.3 | 57.6 | 49.7 |
| Final Fantasy XV Benchmark (2018) | 37.5 | 18 | 9.88 | |
| X-Plane 11.11 (2018) | 40.9 | 30.5 | 27.3 | |
| Strange Brigade (2018) | 87.4 | 29.9 | 22.7 | 19.6 |
| Baldur's Gate 3 (2023) | 13.3 | 11.7 | 10.2 | 10.1 |
| Cyberpunk 2077 (2023) | 15.2 | 11.6 | 9.81 | 8.41 |
Émissions
Bruit du système
Le système reste très silencieux même lorsqu'il est soumis à des charges moyennes telles que la navigation, le multitâche et le streaming vidéo, alors que les ventilateurs de la plupart des systèmes Intel ou AMD s'accélèrent beaucoup plus rapidement. Cependant, si le processeur est pleinement sollicité, le bruit du ventilateur peut atteindre un peu plus de 40 dB(A), ce qui est un plafond similaire à celui de la plupart des subnotebooks.
Degré de la nuisance sonore
| Au repos |
| 22.8 / 22.8 / 22.8 dB(A) |
| Fortement sollicité |
| 22.8 / 41.8 dB(A) |
![]() | ||
30 dB silencieux 40 dB(A) audible 50 dB(A) bruyant |
||
min: | ||
| HP EliteBook 6 G1q 14 SD X Plus X1P-42-100, Adreno X1-45 1.7 TFLOPS | HP EliteBook 8 G1a 14 AD3E9ET R7 250, Radeon 780M | HP ProBook 445 G10 R5 7530U, Vega 7 | Lenovo ThinkPad E14 Gen 7 21U2002QGE Core Ultra 5 228V, Arc 130V | Dell Pro 14 Plus PB14255 GH77W Ryzen AI 7 PRO 350, Radeon 860M | Asus ExpertBook B5 B5404CMA Ultra 7 155U, Graphics 4-Core iGPU (Arrow Lake) | |
|---|---|---|---|---|---|---|
| Noise | -19% | -13% | -17% | -14% | -38% | |
| arrêt / environnement * (dB) | 22.7 | 23.7 -4% | 24 -6% | 24.5 -8% | 24.9 -10% | 23 -1% |
| Idle Minimum * (dB) | 22.8 | 23.7 -4% | 24 -5% | 24.5 -7% | 24.9 -9% | 27.38 -20% |
| Idle Average * (dB) | 22.8 | 23.7 -4% | 25 -10% | 24.5 -7% | 24.9 -9% | 27.38 -20% |
| Idle Maximum * (dB) | 22.8 | 23.7 -4% | 28 -23% | 25.4 -11% | 27.6 -21% | 27.38 -20% |
| Load Average * (dB) | 22.8 | 39.1 -71% | 33 -45% | 38.6 -69% | 29.3 -29% | 45.35 -99% |
| Cyberpunk 2077 ultra * (dB) | 29.4 | 42.4 -44% | 34.9 -19% | 37.5 -28% | 52.3 -78% | |
| Load Maximum * (dB) | 41.8 | 42.3 -1% | 36 14% | 41.5 1% | 37.5 10% | 52.21 -25% |
| Witcher 3 ultra * (dB) | 36 |
* ... Moindre est la valeur, meilleures sont les performances
Température
Les températures de surface sont sensiblement plus élevées sur la moitié gauche du châssis, près du processeur. Les points chauds peuvent atteindre environ 40°C, ce qui est à peine plus froid que ce que nous avons enregistré sur le ThinkPad E14 Gen 7 alimenté par Intel ThinkPad E14 Gen 7.
(+) La température maximale du côté supérieur est de 37.2 °C / 99 F, par rapport à la moyenne de 34.3 °C / 94 F, allant de 21.2 à 62.5 °C pour la classe Office.
(±) Le fond chauffe jusqu'à un maximum de 42.4 °C / 108 F, contre une moyenne de 36.8 °C / 98 F
(+) En utilisation inactive, la température moyenne du côté supérieur est de 22.5 °C / 73 F, par rapport à la moyenne du dispositif de 29.5 °C / 85 F.
(+) Les repose-poignets et le pavé tactile sont plus froids que la température de la peau avec un maximum de 26.4 °C / 79.5 F et sont donc froids au toucher.
(±) La température moyenne de la zone de l'appui-paume de dispositifs similaires était de 27.6 °C / 81.7 F (+1.2 °C / #2.2 F).
| HP EliteBook 6 G1q 14 SD X Plus X1P-42-100, Adreno X1-45 1.7 TFLOPS | HP EliteBook 8 G1a 14 AD3E9ET R7 250, Radeon 780M | HP ProBook 445 G10 R5 7530U, Vega 7 | Lenovo ThinkPad E14 Gen 7 21U2002QGE Core Ultra 5 228V, Arc 130V | Dell Pro 14 Plus PB14255 GH77W Ryzen AI 7 PRO 350, Radeon 860M | Asus ExpertBook B5 B5404CMA Ultra 7 155U, Graphics 4-Core iGPU (Arrow Lake) | |
|---|---|---|---|---|---|---|
| Heat | -10% | -19% | -5% | -10% | -20% | |
| Maximum Upper Side * (°C) | 37.2 | 41.3 -11% | 43 -16% | 41.7 -12% | 38.1 -2% | 38.6 -4% |
| Maximum Bottom * (°C) | 42.4 | 40.5 4% | 51 -20% | 43.3 -2% | 40.1 5% | 48 -13% |
| Idle Upper Side * (°C) | 24.2 | 27.4 -13% | 27 -12% | 24.3 -0% | 28.9 -19% | 28.8 -19% |
| Idle Bottom * (°C) | 23.6 | 28.6 -21% | 30 -27% | 25 -6% | 29.6 -25% | 33.4 -42% |
* ... Moindre est la valeur, meilleures sont les performances
Test de stress
Le processeur atteignait 3,2 GHz et 25 W lorsqu'il était soumis au stress Prime95. Après avoir atteint une température de 89°C quelques secondes plus tard, le processeur descend à 2,7 GHz et 15 W pour une température plus froide de 76°C.
| Horloge moyenne du CPU (GHz) | Horloge du GPU (MHz) | Température moyenne du CPU (°C) | |
| Système au repos | -- | -- | 23 |
| Prime95 Stress | 2.7 | -- | 76 |
| Prime95 + FurMark Stress | 2.2 - 2.7 | 1107 | 65 - 82 |
| Cyberpunk 2077 Stress | 3.2 | 1107 | 48 |
Intervenants
HP EliteBook 6 G1q 14 analyse audio
(+) | les haut-parleurs peuvent jouer relativement fort (84.3# dB)
Basses 100 - 315 Hz
(-) | presque aucune basse - en moyenne 24% plus bas que la médiane
(±) | la linéarité des basses est moyenne (8.4% delta à la fréquence précédente)
Médiums 400 - 2000 Hz
(+) | médiane équilibrée - seulement 3.8% de la médiane
(+) | les médiums sont linéaires (6% delta à la fréquence précédente)
Aiguës 2 - 16 kHz
(+) | des sommets équilibrés - à seulement 3.5% de la médiane
(+) | les aigus sont linéaires (5.4% delta à la fréquence précédente)
Globalement 100 - 16 000 Hz
(±) | la linéarité du son global est moyenne (15.5% de différence avec la médiane)
Par rapport à la même classe
» 15% de tous les appareils testés de cette catégorie étaient meilleurs, 4% similaires, 81% pires
» Le meilleur avait un delta de 7%, la moyenne était de 21%, le pire était de 53%.
Par rapport à tous les appareils testés
» 22% de tous les appareils testés étaient meilleurs, 4% similaires, 74% pires
» Le meilleur avait un delta de 4%, la moyenne était de 24%, le pire était de 134%.
Apple MacBook Pro 16 2021 M1 Pro analyse audio
(+) | les haut-parleurs peuvent jouer relativement fort (84.7# dB)
Basses 100 - 315 Hz
(+) | bonne basse - seulement 3.8% loin de la médiane
(+) | les basses sont linéaires (5.2% delta à la fréquence précédente)
Médiums 400 - 2000 Hz
(+) | médiane équilibrée - seulement 1.3% de la médiane
(+) | les médiums sont linéaires (2.1% delta à la fréquence précédente)
Aiguës 2 - 16 kHz
(+) | des sommets équilibrés - à seulement 1.9% de la médiane
(+) | les aigus sont linéaires (2.7% delta à la fréquence précédente)
Globalement 100 - 16 000 Hz
(+) | le son global est linéaire (4.6% différence à la médiane)
Par rapport à la même classe
» 0% de tous les appareils testés de cette catégorie étaient meilleurs, 0% similaires, 100% pires
» Le meilleur avait un delta de 5%, la moyenne était de 17%, le pire était de 45%.
Par rapport à tous les appareils testés
» 0% de tous les appareils testés étaient meilleurs, 0% similaires, 100% pires
» Le meilleur avait un delta de 4%, la moyenne était de 24%, le pire était de 134%.
Gestion de l'énergie
Consommation électrique
L'EliteBook équipé d'un Snapdragon est très efficace, surtout lorsqu'il s'agit d'exécuter des tâches quotidiennes telles que des navigateurs ou des vidéos. Il peut être plus exigeant qu'un système Core Ultra 7 258V comme le ThinkPad T14 G6 lorsque le CPU est pleinement sollicité, mais il offre des performances plus rapides en même temps pour un niveau de performance par watt similaire.
Nous sommes en mesure d'enregistrer une consommation maximale de 69 W à partir du petit (~8,9 x 5 x 2,8 cm) adaptateur secteur USB-C de 65 W.
| Éteint/en veille | |
| Au repos | |
| Fortement sollicité |
|
Légende:
min: | |
| HP EliteBook 6 G1q 14 SD X Plus X1P-42-100, Adreno X1-45 1.7 TFLOPS, Samsung PM9A1 MZVL2512HCJQ, IPS, 1920x1200, 14" | HP EliteBook 8 G1a 14 AD3E9ET R7 250, Radeon 780M, Samsung PM9C1 MZVL81T0HELB-00BTW, IPS LED, 1920x1200, 14" | HP ProBook 445 G10 R5 7530U, Vega 7, Kioxia BG5 KBG50ZNS512G, IPS, 1920x1080, 14" | Lenovo ThinkPad E14 Gen 7 21U2002QGE Core Ultra 5 228V, Arc 130V, Samsung PM9C1b MZVL81T0HFLB-00BH1, IPS, 2880x1800, 14" | Dell Pro 14 Plus PB14255 GH77W Ryzen AI 7 PRO 350, Radeon 860M, Micron 2500 1TB MTFDKBA1T0QGN, IPS LED, 1920x1200, 14" | Asus ExpertBook B5 B5404CMA Ultra 7 155U, Graphics 4-Core iGPU (Arrow Lake), Micron 2400 MTFDKBA1T0QFM, IPS, 1920x1200, 14" | |
|---|---|---|---|---|---|---|
| Power Consumption | -44% | -58% | -63% | -53% | -59% | |
| Idle Minimum * (Watt) | 3.4 | 3.2 6% | 7 -106% | 3.9 -15% | 3.7 -9% | 2.57 24% |
| Idle Average * (Watt) | 4.5 | 5.2 -16% | 8 -78% | 7.2 -60% | 7.3 -62% | 5.95 -32% |
| Idle Maximum * (Watt) | 5.9 | 6.1 -3% | 9 -53% | 8.6 -46% | 8.5 -44% | 6.85 -16% |
| Load Average * (Watt) | 18.4 | 41.8 -127% | 34 -85% | 39.9 -117% | 37.4 -103% | 45.6 -148% |
| Cyberpunk 2077 ultra * (Watt) | 22.1 | 42.1 -90% | 44.8 -103% | 35.9 -62% | 48.6 -120% | |
| Cyberpunk 2077 ultra external monitor * (Watt) | 20.1 | 41.6 -107% | 42.1 -109% | 40.3 -100% | 48 -139% | |
| Load Maximum * (Watt) | 69.2 | 50.5 27% | 47 32% | 61 12% | 64.6 7% | 55.7 20% |
| Witcher 3 ultra * (Watt) | 36.2 |
* ... Moindre est la valeur, meilleures sont les performances
Consommation électrique Cyberpunk / Stress Test
Consommation électrique du moniteur externe
Autonomie de la batterie
Les durées d'utilisation sont très longues, avec près de 16 heures de navigation dans le monde réel grâce à la batterie de 56 Wh. Des configurations avec une batterie plus petite et plus légère de 48 Wh sont également disponibles.
| HP EliteBook 6 G1q 14 SD X Plus X1P-42-100, Adreno X1-45 1.7 TFLOPS, 56 Wh | HP EliteBook 8 G1a 14 AD3E9ET R7 250, Radeon 780M, 62 Wh | HP ProBook 445 G10 R5 7530U, Vega 7, 42 Wh | Lenovo ThinkPad E14 Gen 7 21U2002QGE Core Ultra 5 228V, Arc 130V, 64 Wh | Dell Pro 14 Plus PB14255 GH77W Ryzen AI 7 PRO 350, Radeon 860M, 55 Wh | Asus ExpertBook B5 B5404CMA Ultra 7 155U, Graphics 4-Core iGPU (Arrow Lake), 63 Wh | |
|---|---|---|---|---|---|---|
| Autonomie de la batterie | -11% | -40% | -8% | -26% | -18% | |
| WiFi v1.3 (h) | 15.9 | 14.2 -11% | 9.5 -40% | 14.6 -8% | 11.8 -26% | 13.1 -18% |
| Load (h) | 1.8 | 1.8 | ||||
| H.264 (h) | 12.7 |
Notebookcheck Rating
Une très longue autonomie, un fonctionnement silencieux et une connectivité riche font du HP EliteBook 6 G1q 14 un ordinateur portable professionnel attrayant si vous utilisez principalement des applications natives ARM.
HP EliteBook 6 G1q 14
- 01/02/2026 v8
Allen Ngo
Comparaison avec des concurrents potentiels
Image | Modèle | Prix | Poids | Épaisseur | Écran |
|---|---|---|---|---|---|
| HP EliteBook 6 G1q 14 Qualcomm Snapdragon X Plus X1P-42-100 ⎘ Qualcomm SD X Adreno X1-45 1.7 TFLOPS ⎘ 32 Go Mémoire, 512 Go SSD | Amazon: $1,382.03 Prix de liste: 1300 USD | 1.5 kg | 17 mm | 14.00" 1920x1200 162 PPI IPS | |
| HP EliteBook 8 G1a 14 AD3E9ET AMD Ryzen 7 250 ⎘ AMD Radeon 780M ⎘ 32 Go Mémoire, 1024 Go SSD | Amazon: $2,018.72 Prix de liste: 1695 Euro | 1.4 kg | 19.1 mm | 14.00" 1920x1200 162 PPI IPS LED | |
| HP ProBook 445 G10 AMD Ryzen 5 7530U ⎘ AMD Radeon RX Vega 7 ⎘ 16 Go Mémoire, 512 Go SSD | Amazon: 1. $589.00 HP ProBook 455 G10 15.6" Not... 2. $21.99 GVKRLXZ 65W USB-C Power Adap... 3. $999.99 HP ProBook 450 G10 Business ... Prix de liste: 830 EUR | 1.3 kg | 20 mm | 14.00" 1920x1080 157 PPI IPS | |
| Lenovo ThinkPad E14 Gen 7 21U2002QGE Intel Core Ultra 5 228V ⎘ Intel Arc Graphics 130V ⎘ 32 Go Mémoire, 1000 Go SSD | Amazon: 1. $884.95 Lenovo 14" ThinkPad E14 Gen ... 2. $1,399.99 Lenovo ThinkPad E14 Gen 7 La... 3. $787.95 Lenovo ThinkPad E14 Gen 6 21... Prix de liste: 1199€ | 1.4 kg | 15.3 mm | 14.00" 2880x1800 243 PPI IPS | |
| Dell Pro 14 Plus PB14255 GH77W AMD Ryzen AI 7 PRO 350 ⎘ AMD Radeon 860M ⎘ 32 Go Mémoire, 1024 Go SSD | Amazon: $1,453.34 Prix de liste: 1630 Euro | 1.6 kg | 22 mm | 14.00" 1920x1200 162 PPI IPS LED | |
| Asus ExpertBook B5 B5404CMA Intel Core Ultra 7 155U ⎘ Intel Graphics 4-Core iGPU (Meteor / Arrow Lake) ⎘ 16 Go Mémoire, 1024 Go SSD | Amazon: $1,583.94 Prix de liste: 1340 USD | 1.3 kg | 19 mm | 14.00" 1920x1200 162 PPI IPS |
Transparency
La sélection des appareils à examiner est effectuée par notre équipe éditoriale. L'échantillon de test a été prêté à l'auteur par le fabricant ou le détaillant pour les besoins de cet examen. Le prêteur n'a pas eu d'influence sur cette évaluation et le fabricant n'a pas reçu de copie de cette évaluation avant sa publication. Il n'y avait aucune obligation de publier cet article. En tant que média indépendant, Notebookcheck n'est pas soumis à l'autorité des fabricants, des détaillants ou des éditeurs.
Voici comment Notebookcheck teste
Chaque année, Notebookcheck examine de manière indépendante des centaines d'ordinateurs portables et de smartphones en utilisant des procédures standardisées afin de garantir que tous les résultats sont comparables. Nous avons continuellement développé nos méthodes de test depuis environ 20 ans et avons établi des normes industrielles dans le processus. Dans nos laboratoires de test, des équipements de mesure de haute qualité sont utilisés par des techniciens et des rédacteurs expérimentés. Ces tests impliquent un processus de validation en plusieurs étapes. Notre système d'évaluation complexe repose sur des centaines de mesures et de points de référence bien fondés, ce qui garantit l'objectivité.


























































